Schwarzbeck CDN M5PE 250A 1000V Coupling Decoupling Network

Condition:
New
Manufacturer:
Schwarzbeck
  • 150 kHz – 80 MHz Operating Range
  • 250 A High Current Capability
  • Controlled RF Signal Injection
  • Stable Power Line Isolation
  • ISO 7637 Conducted Immunity Compliant
  • Consistent And Repeatable Test Performance
  • Compatible With Standard EMC Test Setups
  • Rugged Design For Industrial Environments

 

No reviews yet Write a Review
Availability:

Inquire for Availability

SKU:
32002

 

 

Due to tariff increases, some items in our catalog are subject to additional costs when purchased.


Getting Started...

Check out our Google Reviews

Overview

The Schwarzbeck CDN M5PE 250A is a high-current coupling decoupling network designed for conducted immunity testing in automotive and industrial applications. It enables the controlled injection of disturbance signals while isolating the equipment under test, ensuring accurate and repeatable measurements.

Engineered for compliance with international EMC standards such as ISO 7637 and related specifications, the CDN M5PE 250A supports high current levels up to 250 A. Its robust construction and reliable performance make it suitable for demanding test environments where precision and stability are critical.

The unit is optimized for use in EMC test setups together with signal generators and amplifiers, allowing engineers to simulate real-world interference conditions and validate system performance effectively.

Fig. 1: typical EuT common mode impedance
Fig. 1. Typical EuT common mode impedance
Fig. 2: voltage division factor RF-port to EuT-port
Fig. 2. Voltage division factor RF-port to EuT-port
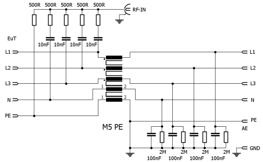
Fig. 3: principal circuitry CDN M5PE 250A
Fig. 3. Principal circuitry CDN M5PE 250A 1000V
Specifications:
Frequency Range 150 kHz – 80 MHz
Common Mode Impedance 150 kHz – 24 MHz: 150 Ω ±20 Ω
24 MHz – 80 MHz: 150 Ω +60 Ω / -45 Ω
Max. RF Test Voltage (EMF) 30 V
RF Input Power 6 W (continuous)
RF Port 50 Ω BNC (female)
Voltage Division Factor (RF Input → EUT Port) 150 kHz – 24 MHz: 12 dB ±3 dB
24 MHz – 80 MHz: 12 dB +5 dB / -3 dB
Max. Current 250 A
Input Voltage (EUT to AE) Line to Ground / Line to Line: 500 VAC / 1000 VAC
Line to Line: 1000 VDC / 2000 VDC
Housing Material Aluminum
Dimensions 448 x 191 x 470 mm
Weight Approx. 13 kg
Connectors EUT / AE: Screw connections M10
RF Port: 50 Ω BNC (female)
Included Accessories 5-pin shorting bar (2 units included by default)
Optional Accessories 30 mm Distance Adapter: SR 30/4
50 Ω to 150 Ω Adapter: SR100-6W

At The EMC Shop, customers typically use the Schwarzbeck CDN M5PE 250A in conducted immunity test setups where high current lines must be evaluated under real-world disturbance conditions. In automotive and industrial applications, engineers connect the CDN between the power source and the equipment under test to inject standardized transient and RF disturbances while maintaining stable power delivery.

Because of its high current capability, this model is commonly used for testing power distribution systems, battery lines, and high-load components such as electric drive systems and control units. Customers often integrate the CDN with signal generators and amplifiers to simulate harsh electrical environments, allowing them to identify vulnerabilities early and ensure compliance before formal certification testing.

Key Considerations

Manufacturer:
Schwarzbeck

Downloads