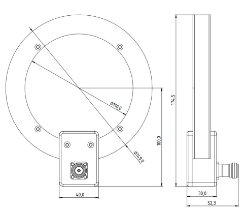
Overview
The Schwarzbeck FESP 5133-360 is a field monitoring coil designed for measuring magnetic field strength in EMC testing environments. It is typically used to monitor and verify field levels during conducted and radiated immunity tests, ensuring accurate and controlled test conditions.
At The EMC Shop, customers commonly use the FESP 5133-360 in conjunction with bulk current injection (BCI) setups or test benches where precise magnetic field monitoring is required. The coil is positioned near the equipment under test to capture field variations and confirm that the intended disturbance levels are being applied.
This allows engineers to maintain consistent test conditions, validate setup performance, and improve confidence in EMC test results across automotive, aerospace, and industrial applications.
